Product

>
<

54v 1.1a 60W PSU Poe Injector Over Ethernet Adapter 48v poe adapter Switching Power Supply

TPT60S54A

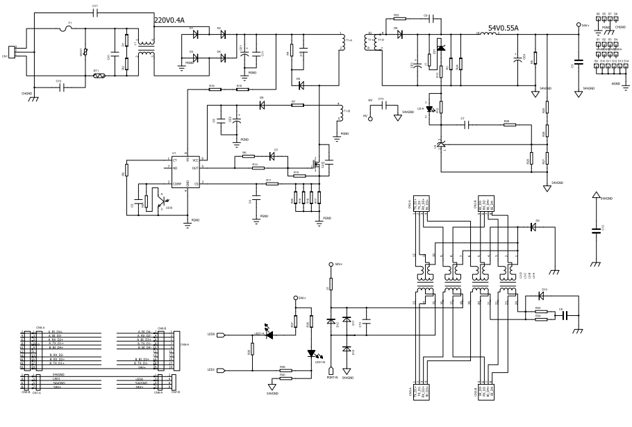
Product Model: TPT60S54A

Input Voltage Range: 100~240Vac

Output Power: 60W

Input frequency: 47~63Hz

Output Voltage: 54V

Output current: 1.1A

Efficiency: ≥84%

Operating temperature: -10~+40°C 

Protection: OVP/OCP/SCP/OLP

Dimension: 173*72*37mm


Product Detail